Nissan Sunny B12-1986г датчик трамблёра
Модератор: alflash
Nissan Sunny B12-1986г датчик трамблёра
Здравствуйте, на данном авто неисправен датчик холла. С датчика сигнал выходит только с внутренних насечек пластины с наружных насечек сигнала нет. У кого есть опыт в реставрации такого датчика?
Re: Nissan Sunny B12-1986г датчик трамблёра
Поскольку датчик залит весьма твердым компаундом, то я бы поставил датчик из этого трамблёра

или попытался бы втулить оптопару из подходящей мышки или купить в магазине.
Год выпуска авто 1996 или 1986 ?

или попытался бы втулить оптопару из подходящей мышки или купить в магазине.
Год выпуска авто 1996 или 1986 ?
Re: Nissan Sunny B12-1996г датчик холла.
Светодиоды живые, смотрел через сотку)). Фото диод, чем можно заменить?
Re: Nissan Sunny B12-1986г датчик холла.
В первом приближении фото-диодом из мышки.
Фото: Или купить в ближайшем магазине радиотоваров.
В моём трамблёра три оптопары и похоже, инфракрасные. А в самой схеме используется такой симпатичный счетверённый компаратор HA17901G
Фото: Или купить в ближайшем магазине радиотоваров.
В моём трамблёра три оптопары и похоже, инфракрасные. А в самой схеме используется такой симпатичный счетверённый компаратор HA17901G
Re: Nissan Sunny B12-1996г датчик трамблёра
В продолжение темы.
Машина стоит на территории, датчик нашли и заказали на следующей недели привезут.
Машина стоит на территории, датчик нашли и заказали на следующей недели привезут.
Re: Nissan Sunny B12-1996г датчик трамблёра
Привезли датчик. Импульсы появились, а первички нет. На фото транзистор под номером 6011? Усилитель умпульса на катушку? Осциллограмма в файле.
Re: Nissan Sunny B12-1996г датчик трамблёра
Осциллограмма.
- Вложения
-
- Sunny.rar
- (1.66 МБ) 969 скачиваний
Re: Nissan Sunny B12-1996г датчик трамблёра
Это колхоз, а не усилитель.Сегодня делал Примьеру с мотором SR20, с таким трамблером,пропадал сигнал с датчика оборотов,поставили БУ, а усилитель там Lucas 84987,есть в продаже весьма не дорого.vadimf писал(а):Усилитель умпульса на катушку?
Re: Nissan Sunny B12-1996г датчик трамблёра
Возможно это вынужденный апгрейд power transistror (https://www.google.com.ua/search?q=niss ... MQ_AUIBigB)vadimf писал(а):Привезли датчик. Импульсы появились, а первички нет. На фото транзистор под номером 6011? Усилитель умпульса на катушку? Осциллограмма в файле.
Попрjбуйте приладить, например, такой http://www.onsemi.ru.com/PowerSolutions ... 3055-D.PDF

Re: Nissan Sunny B12-1996г датчик трамблёра
Спасибо, буду искать аналоги вроде как кт 818 и 825 подходят.
Re: Nissan Sunny B12-1986г датчик трамблёра
КТ818 может не подойти из-за относительно малого коэффициента усиления по току.
Re: Nissan Sunny B12-1996г датчик трамблёра
У меня вопрос по транзистору, какой все таки нужен p-n-p или n-p-n? Я на заморском форуме нашел схему, там показан n-p-n и эмиттер на массе. В моем случае коллектор на массе, или встречаются транзисторы с эмиттером на корпусе?
В общем запутался я немного.
В общем запутался я немного.
Re: Nissan Sunny B12-1986г датчик трамблёра
С эмиттером на корпусе никогда не встречал.
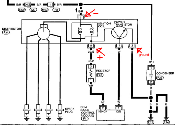
Тип проводимости надо посмотреть в мануале этого авто.
Например, в таком

Кроме этого, определится можно по форме напряжения управления на его базе. Если есть такая осциллограмму, покажите её скрин.
Тот транзистор целый?
Тип проводимости надо посмотреть в мануале этого авто.
Например, в таком

Кроме этого, определится можно по форме напряжения управления на его базе. Если есть такая осциллограмму, покажите её скрин.
Тот транзистор целый?
Re: Nissan Sunny B12-1996г датчик трамблёра
Мануал я так и не нашел на него, транзистор неисправен коллектор и эммитер звониться.
На скрине 3 канал база.
На скрине 3 канал база.
Re: Nissan Sunny B12-1996г датчик трамблёра
5 канал выход с транзистора.
Re: Nissan Sunny B12-1986г датчик трамблёра
Только что проверил на исправном PRW-IA 0403.
По всем признакам там n-p-n транзистор. Его выводы не соединены с корпусом.
Если интересно, могу сделать его вскрытие
Для "проверить" подключите какой-нибудь простенький кт315 и нагрузите его чем-то, хоть СД. И проверьте, что у него делается на коллекторе.
А после уже ставьте, например, кт827.
Но обязательно крепление на радиатор через диэлектрическую теплопроводящую прокладку из бериллиевой керамики и оградите его корпус от касания снаружи.
По всем признакам там n-p-n транзистор. Его выводы не соединены с корпусом.
Если интересно, могу сделать его вскрытие
Для "проверить" подключите какой-нибудь простенький кт315 и нагрузите его чем-то, хоть СД. И проверьте, что у него делается на коллекторе.
А после уже ставьте, например, кт827.
Но обязательно крепление на радиатор через диэлектрическую теплопроводящую прокладку из бериллиевой керамики и оградите его корпус от касания снаружи.
Re: Nissan Sunny B12-1996г датчик трамблёра
Спасибо, дождусь транзистор и все проверю. Вскрывать не надо
.
