Проблема со слов хозяина в постоянно сгорающих катушках, хозяин правда дятел ещё тот, на свечах экономит.
Массы ИКЗ,форсунок и ещё чегось выведены на ГБЦ. Прозвонил от минуса катушек, на мотор,кузов, аккум, всё нормально.
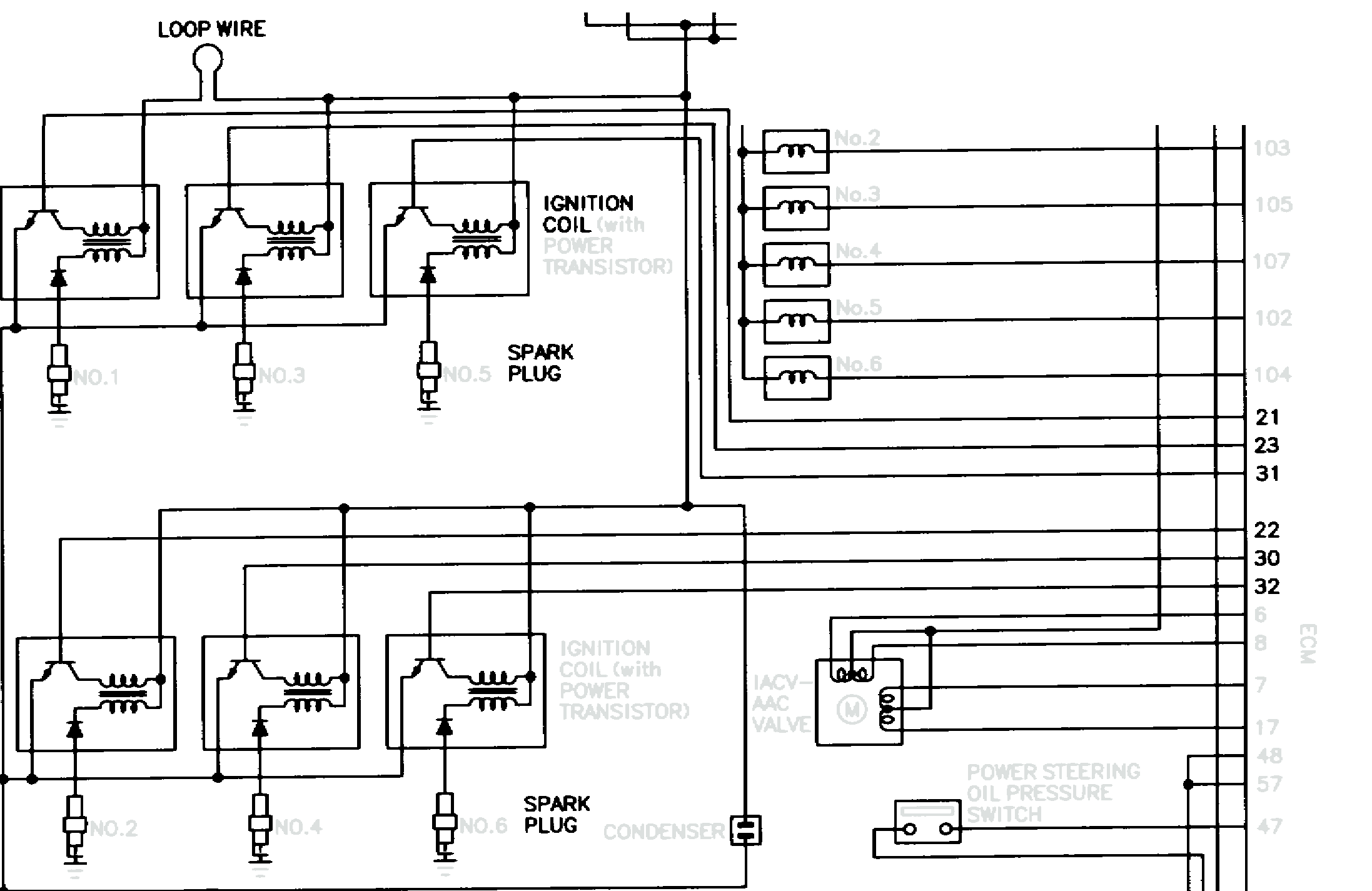
Буду рад схеме и если можно точки крепления масс. Он уехал на четырёх цилиндрах, желает заменить только одну

