Infiniti FX35 2007 г.
Модератор: alflash
Infiniti FX35 2007 г.
Привет ! Нужна информация по выше означенному авто. Юзер мануал . Так как трафик лимит немогу скачать. Спасибо заранее всем откликнувшимся.
Re: Infiniti FX35 2007 г.
Архив c 2007 Infiniti FX35 / FX45 Owner's Manual (3.07 мБ) лежит в http://alflash.com.ua/nissan/om.rar
HTH,
HTH,
Re: Infiniti FX35 2007 г.
Спасибо В.П, разбираюсь потихоньку.
И уже встал вопрос .
После поездки на ручнике.
. Приехал человек и говорит вот лампочки загорелись.
BRAKE и Low tire pressure warning light.
Ну с тормозом быстро разобрались. А вот с давлением в шинах грабли.
Давление привели к норме. Сканер (лаунч и автоком) неисправностей не показал. Завтра попробую другой смарткартой к ланчу глянуть. Судя по всему нужно подружить датчики с авто.
Или есть другая "шаманская " пляска?
Ну и попутно как русифицировать дисплей?
И уже встал вопрос .
После поездки на ручнике.

BRAKE и Low tire pressure warning light.
Ну с тормозом быстро разобрались. А вот с давлением в шинах грабли.
Давление привели к норме. Сканер (лаунч и автоком) неисправностей не показал. Завтра попробую другой смарткартой к ланчу глянуть. Судя по всему нужно подружить датчики с авто.
Или есть другая "шаманская " пляска?
Ну и попутно как русифицировать дисплей?
Re: Infiniti FX35 2007 г.
Согласно этому мануалу (стр.160) возможен только выбор
Language: English или French
Unit: US Mile, °F, MPG или Metric km, °C, L/100 km
Стоит проверить нынешнее состояние Tire pressure information, как описано на стр. 157 (p.4-7) и стр. 165 (p.4-15) и обратите внимание на стр.278 (p.6-2) и далее.
На стр. 194 описаны правила пользования voice commands - попробуйте и я уверен, что клиенту это понравится
[
+ для прописывания нужен как минимум Consult или например, Bartec* или же "танцы с бубном"
*
или
или в известной Вам страничке библиотеки Курсов обучения - "Прописывание датчиков давления шин Ниссан"
p.s. Уточните, плиз, поведение TPMS warning lamp при KOEO: is illuminated steady or flashing ?
Результат считывания кодов неисправности "альтернативным" методом?
Language: English или French
Unit: US Mile, °F, MPG или Metric km, °C, L/100 km
Стоит проверить нынешнее состояние Tire pressure information, как описано на стр. 157 (p.4-7) и стр. 165 (p.4-15) и обратите внимание на стр.278 (p.6-2) и далее.
На стр. 194 описаны правила пользования voice commands - попробуйте и я уверен, что клиенту это понравится

[
Не факт! С чего бы это "потерять прописку" родным датчикам? Да и комп заметил бы это (соответствующими кодами)...qyrec писал(а):]Судя по всему нужно подружить датчики с авто
+ для прописывания нужен как минимум Consult или например, Bartec* или же "танцы с бубном"

*
или
или в известной Вам страничке библиотеки Курсов обучения - "Прописывание датчиков давления шин Ниссан"
p.s. Уточните, плиз, поведение TPMS warning lamp при KOEO: is illuminated steady or flashing ?
Результат считывания кодов неисправности "альтернативным" методом?
- Вложения
-
- Nissan TPMS Reset Tool
- otc.jpg (11.97 КБ) 23685 просмотров
Re: Infiniti FX35 2007 г.
Спасибо В.П. Я к сожалению не бегло читаю по аглицки.
Так что ушел в себя, читать.

Re: Infiniti FX35 2007 г.
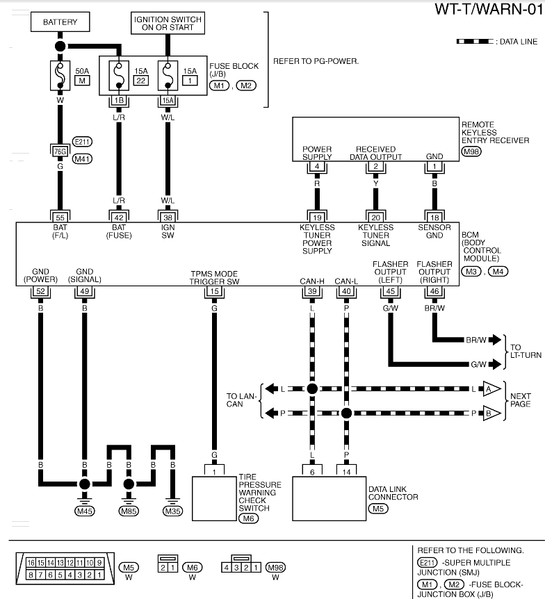
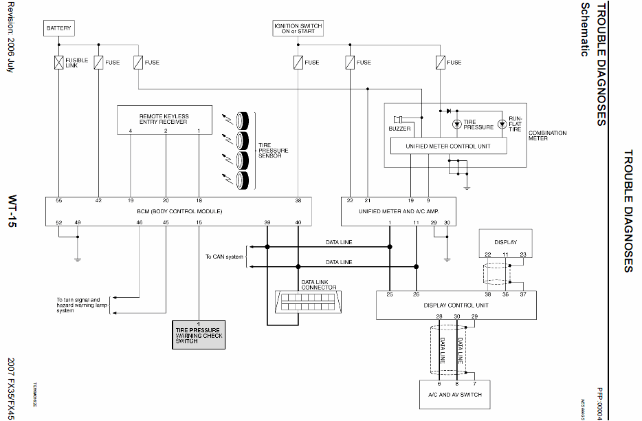
http://alflash.com.ua/nissan/1.gifСудя по всему нужно подружить датчики с авто
Хотя при постоянно включенной лампе других симптомов кроме BCM и Combination meter и их цепей не указано.
http://alflash.com.ua/nissan/2.gif
Схема
http://alflash.com.ua/nissan/3.gif
Re: Infiniti FX35 2007 г.
На предмет предохранителей "Unified Meter and A/C AMP" и "Combination Meter"
http://alflash.com.ua/nissan/5.gif
http://alflash.com.ua/nissan/6.gif
http://alflash.com.ua/nissan/7.gif
http://alflash.com.ua/nissan/8.gif
http://alflash.com.ua/nissan/9.gif
http://alflash.com.ua/nissan/5.gif
http://alflash.com.ua/nissan/6.gif
http://alflash.com.ua/nissan/7.gif
http://alflash.com.ua/nissan/8.gif
http://alflash.com.ua/nissan/9.gif
Re: Infiniti FX35 2007 г.
Очень большое спасибо. Вечером добавлю вопросов.
Closed w/o fix.
Closed w/o fix.