Nissan Qashqai 1.6 уже незаводится.
Модератор: alflash
Nissan Qashqai 1.6 уже незаводится.
Имеется Nissan Qashqai 1,6. Отсутствует сигнал с ДПРВ. Осцилки прилагаю. Опорное напряжение и сигнал.
Снимал 4 версией оболочки автоскопа.
Снимал 4 версией оболочки автоскопа.
Re: Nissan Qashqai 1.6 уже незаводится.
Осциллограммы сигналов датчиков валов см. вв http://alflash.com.ua/Almeras/Signals.pdf
Что есть "опорное напряжение"?
Re: Nissan Qashqai 1.6 уже незаводится.
Имеем на терминалах 1 и 3 по 8в. При бортовом 12в.
Re: Nissan Qashqai 1.6 уже незаводится.
Всем спасибо, жизнь вернулась.
Был плохой контакт провода массы на разъёме ЭБУ.
Был плохой контакт провода массы на разъёме ЭБУ.
Re: Nissan Qashqai 1.6 уже незаводится.
Завтра , выложу осцылки после поимки неисправности. А то уже дома.
Вот не смог сфоткать причинное место, уж больно оно неудобное.
Предыстория такова. Авто появилось после нескольких мастерских , где чистили форсунки (одни чистили не снимая, другие снимали) , меняли насос (ну нечем было давление топлива проверить)
нашли даже, пробитый колпачек на катушке (но свечи выкрутить несмогли). Ну а мы таки доказали , что не зря в Затоке лунные загары принимаем.
Хотя если посмотреть несколько с другого ракурса ЭБУ можно было и не вскрывать. На осцилках видно что масса плохая. (вот только где?).Но увы я еще не композитор.
Вот не смог сфоткать причинное место, уж больно оно неудобное.
Предыстория такова. Авто появилось после нескольких мастерских , где чистили форсунки (одни чистили не снимая, другие снимали) , меняли насос (ну нечем было давление топлива проверить)
нашли даже, пробитый колпачек на катушке (но свечи выкрутить несмогли). Ну а мы таки доказали , что не зря в Затоке лунные загары принимаем.
Хотя если посмотреть несколько с другого ракурса ЭБУ можно было и не вскрывать. На осцилках видно что масса плохая. (вот только где?).Но увы я еще не композитор.
Re: Nissan Qashqai 1.6 уже незаводится.
Раз уж зашла речь о делах давно минувших дней, то вопрос: FaultFinder FF310, столь подробно рассмотренный на последнем семинаре в Затоке, пробовали использовать для поиска места "плохой земли"?
+ проверили наличие "минуса" на других контактах ECM? Если что, то можно "организовать и свой минусовой провод" (видимо что Вы и сделали
) И как там дела с соединением "минуса" аккумулятора с кузовом и двигателем?
+ проверили наличие "минуса" на других контактах ECM? Если что, то можно "организовать и свой минусовой провод" (видимо что Вы и сделали
Re: Nissan Qashqai 1.6 уже незаводится.
FaultFinder FF310 неножко сломался. Наверное карма у меня такая.(помните мой опыт с дымогенератором
)
Владимир Петрович, Вы совершенно правы, так и было сделано. ( прям на контакт ЕСМ подали массу ) . Увидев на осциле пришедшие в порядок потенциалы, копнули глубже .
Владимир Петрович, Вы совершенно правы, так и было сделано. ( прям на контакт ЕСМ подали массу ) . Увидев на осциле пришедшие в порядок потенциалы, копнули глубже .
Re: Nissan Qashqai 1.6 уже незаводится.
Тысячу извинений. Вчерась подвернулся билет на баскетбол пришлось отдохнуть.
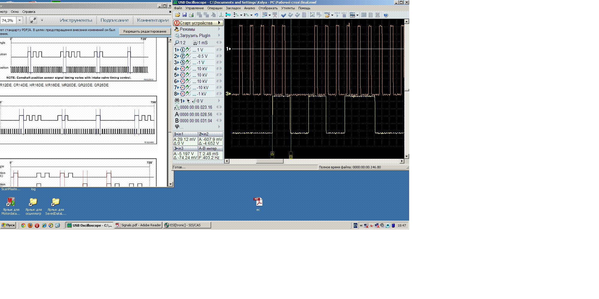
Вот обещанный финал .
Вот обещанный финал .
- Вложения
-
- final.rar
- (17.78 КБ) 1448 скачиваний
Re: Nissan Qashqai 1.6 уже незаводится.
Странная разница в форме сигналов скринов вроде как одной и той же осциллограммы final.mwf ...
Re: Nissan Qashqai 1.6 уже незаводится.
я инверсии включил,типа как мануале
Re: Nissan Qashqai 1.6 уже незаводится.
Но тогда получается, что сигналы датчиков отрицательной полярности (!)nazar писал(а):я инверсии включил,типа как мануале
Re: Nissan Qashqai 1.6 уже незаводится.
Почём судите, что цепь надо бы поменять?qyrec писал(а):Вопрос в том что я отпустил авто с багами. Как говорится хозяин барин. Я так думаю что оно скоро вернется на предмет замены цепи.
Re: Nissan Qashqai 1.6 уже незаводится.
Фронты сигналов не совпадают с мануалами.
Re: Nissan Qashqai 1.6 уже незаводится.
и почему в мануале одинаковые всплески ,а у Юры послений широкий
Re: Nissan Qashqai 1.6 уже незаводится.
Это ешё одна непоняткаnazar писал(а):и почему в мануале одинаковые всплески ,а у Юры послений широкий
Хорошо бы взглянуть (напрмер эндоскопом через отверстие, в которое вставляется датчик) одинаковой ли ширины "выступы" на валуМ.б. это фича, а не баг
Хотя в мануале так: И заодно ещё один вопрос: терпит ли БУ такие сигналы, т.е. как у этого Qashqai с кодами неисправности?
Re: Nissan Qashqai 1.6 уже незаводится.
Плиз, уточните чем именно?
