Toyota Highlander 2002 1MZ-FE DTC P0136, P0440, P0441, P0446

Модератор: alflash

Аватара пользователя
alflash
Сообщения: 3970
Зарегистрирован: 18 фев 2007, 21:46
Откуда: Одесса
Контактная информация:

Re: Toyota Highlander 2002 1MZ-FE DTC P0136, P0440, P0441, P

Сообщение alflash »

Marcinkevich писал(а):Пока не смог найти аналогичный документ с детальным описанием теста EVAP применительно к моей системе типа Late Type (Intrisive) с дополнительным Bypass Valve и Canister Closed Valve. :?
Нашел картинку. аналогичную этой,
Изображение,
но без опечатки :D
111.gif
evap_fr.gif
evap_fr.gif (8.04 КБ) 28616 просмотров
Update. Т.е. схема этой системы (http://alflash.com.ua/evap/evap_monitor.gif) и алгоритм её мониторинга показан в рекомендованной ранее страничке http://alflash.com.ua/evap.htm :D
_evap1_sys.gif
И ещё вопросы. Проведены ли остальные проверки. описанные в том файле? Их результат?
У кодов EVAP по-прежнему статус Pending?
Есть ли лог с All Data?

Видимо ваш вопрос о системе. которая мониторится БУ так
late type w. bypass.gif
Аватара пользователя
Marcinkevich
Сообщения: 303
Зарегистрирован: 05 янв 2016, 18:31
Откуда: Ханты-Мансийск

Re: Toyota Highlander 2002 1MZ-FE DTC P0136, P0440, P0441, P

Сообщение Marcinkevich »

alflash писал(а):
Marcinkevich писал(а): И ещё вопросы. Проведены ли остальные проверки. описанные в том файле? Их результат?
У кодов EVAP по-прежнему статус Pending?
Есть ли лог с All Data?
Последний приезд авто был после обнуления путем "обесточивания". Устал уже им объяснять, бесполезно! :roll:

Установил вышеуказанную трубку на место, ждем результатов по приезду.

С меня:
1. Провести тест EVAP повторно.
2. Выложить DTC со статусами.
3. Снять лог All Data.
Далее сформирую план проверок.

P.S. Опираясь на ход работы монитора контроля EVAP, в своем логе увидел следующее:
На участке 2: клапан Tank Bypass ON (Open), Purge VSV ON (Open) and CCV OFF (Open) идет разряжение (давление в баке падает). Каким образом это происходит, ведь клапан CCV OFF (Open)? А если учесть тот факт что резиновый шланг на него не был одет вовсе, то "статус Open" будет всегда по умолчанию на протяжении теста :D
Вложения
_evap_check.gif
Аватара пользователя
alflash
Сообщения: 3970
Зарегистрирован: 18 фев 2007, 21:46
Откуда: Одесса
Контактная информация:

Re: Toyota Highlander 2002 1MZ-FE DTC P0136, P0440, P0441, P

Сообщение alflash »

Marcinkevich писал(а): P.S. Опираясь на ход работы монитора контроля EVAP, в своем логе увидел следующее:
На участке 2: клапан Tank Bypass ON (Open), Purge VSV ON (Open) and CCV OFF (Open) идет разряжение (давление в баке падает). Каким образом это происходит, ведь клапан CCV OFF (Open)? А если учесть тот факт что резиновый шланг на него не был одет вовсе, то "статус Open" будет всегда по умолчанию на протяжении теста :D
1. Давайте сразу определимся в том, что отсутствие шланга (а) между клапаном CCV и корпусом воздушного фильтра практически никак не влияло на работу EVAP. Этот шланг расположен уже после клапана.
А теперь пошагово рассмотрим работу системы при активном тесте*, не забывая, что DTCs P0440 (Evaporative Emission Control System Malfunction), P0441 (Evaporative Emission Control System Incorrect Purge Flow), P0446 (Evaporative Emission Control System Vent Control Malfunction).
И назначение активируемого навесного (Bypass VSV, Purge VSV, Canister Closed Valve) и особенности отображения состояния.
  • Note. Был бы полезным лог параметров EVAP перед началом этого активного теста. чтобы знать исходное положение клапанов.
Шаг A.
Типа o'k
late_step 1_result.gif
Шаг B.
step 2_result.gif
Время этого этапа меньше положенного, но система вроде как уложилась...
Шаг C.
step 3_result.gif
Дальше продолжать не смысла.
Увы, тест надо повторить с учетом всех замечаний.
Update. Не забыв Select the ”mmHg” unit


*
evap_check_1.gif
Офф. Клиентов-торопыг стоит отправлять туда же

И для убедительности посыла покажите им распечатку нескольких десятков страниц описания проверки системы EVAP.
Если нет, то подарите им кусок изоляции, чтобы оне сами "пагасили лампачку". :mrgreen:
Аватара пользователя
Marcinkevich
Сообщения: 303
Зарегистрирован: 05 янв 2016, 18:31
Откуда: Ханты-Мансийск

Re: Toyota Highlander 2002 1MZ-FE DTC P0136, P0440, P0441, P

Сообщение Marcinkevich »

В.П. данную систему нужно рассматривать в совокупе работы и клапана Bypass VSV.
Аватара пользователя
alflash
Сообщения: 3970
Зарегистрирован: 18 фев 2007, 21:46
Откуда: Одесса
Контактная информация:

Re: Toyota Highlander 2002 1MZ-FE DTC P0136, P0440, P0441, P

Сообщение alflash »

Marcinkevich писал(а):В.П. данную систему нужно рассматривать в совокупе работы и клапана Bypass VSV.
Конечно.
Но на рассматриваемых шагах Bypass VSV ON (is Open), что равносильно его отсутствию.
Аналог системы EVAP at Bypass VSV ON (Open)
Аналог системы EVAP at Bypass VSV ON (Open)
evap_fr.gif (8.02 КБ) 28587 просмотров
,
evap_fr1.gif
Шаги, в которых он соучаствует в работе системы, надеюсь, будут рассмотрены, в порядке очередности и безусловно будут учтены фактические состояния всех соучастников этого активного теста :D
Аватара пользователя
Marcinkevich
Сообщения: 303
Зарегистрирован: 05 янв 2016, 18:31
Откуда: Ханты-Мансийск

Re: Toyota Highlander 2002 1MZ-FE DTC P0136, P0440, P0441, P

Сообщение Marcinkevich »

Попробую... :D
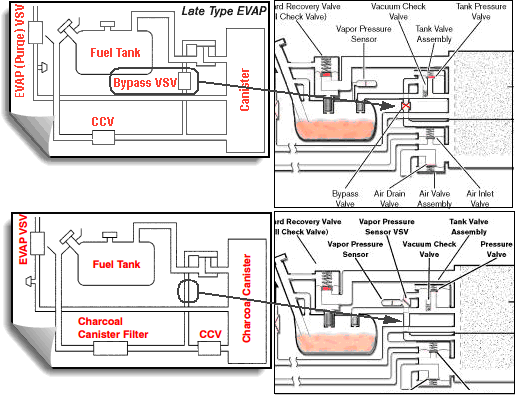
Особенности Late Type (Intrusive) EVAP System Overview
The Late Type EVAP System, also known as the Intrusive type, was developed to meet the very stringent, mandated standard of detecting a hole 0.020 inch (0.5 mm). This system uses many of the same components as the early type EVAP system. Purge, vacuum relief, pressure relief, and ORVR operations are identical to the early type. Refer
to the Applicable Vehicles chart for applicability information.
The following changes were made to the Late Type EVAP System:
- Vapor pressure sensor connected to the fuel tank.
- Bypass VSV in the place of the three way VSV.
- Canister Closed Valve (CCV) on the air inlet line.
Intro1.jpg
Изображение
Для более точных показании в следующий раз каждый участок мне следует увеличить по времени активации, минимум до 30 секунд.
Аватара пользователя
Marcinkevich
Сообщения: 303
Зарегистрирован: 05 янв 2016, 18:31
Откуда: Ханты-Мансийск

Re: Toyota Highlander 2002 1MZ-FE DTC P0136, P0440, P0441, P

Сообщение Marcinkevich »

Участок А - типа ОК :D
Аватара пользователя
Marcinkevich
Сообщения: 303
Зарегистрирован: 05 янв 2016, 18:31
Откуда: Ханты-Мансийск

Re: Toyota Highlander 2002 1MZ-FE DTC P0136, P0440, P0441, P

Сообщение Marcinkevich »

Участок B - открыты все три клапана. В системе если выразиться - "сквозняк". За счет того что полость Canister безусловно имеет некое сопротивление, то появление разряжения вполне объяснимо. Но в нашем случае скорость падения давления достаточно высока. Возможно забит грязью канал на клапан CCV VSV до мелкого отверстия …
Примечание: на схеме не совсем точно т.к. Bypass закрыт.
Вложения
B.jpg
Аватара пользователя
Marcinkevich
Сообщения: 303
Зарегистрирован: 05 янв 2016, 18:31
Откуда: Ханты-Мансийск

Re: Toyota Highlander 2002 1MZ-FE DTC P0136, P0440, P0441, P

Сообщение Marcinkevich »

Участок С - клапан Purge VSV закрывается. Остальные клапана остались открыты. Происходит рост давления. Все ок. Угол наклона прямой мы пока не учитываем, только направление движения давления.
Аватара пользователя
Marcinkevich
Сообщения: 303
Зарегистрирован: 05 янв 2016, 18:31
Откуда: Ханты-Мансийск

Re: Toyota Highlander 2002 1MZ-FE DTC P0136, P0440, P0441, P

Сообщение Marcinkevich »

Участок D - закрывается клапан CCV VSV. Герметизируя тем самым систему EVAP. В итоге мы должны получить остановку изменения давления в системе, то есть давление условно (на коротком участке) должно = Const (прямая линия). В нашем случае мы видим дальнейшее увеличение давления, и это логично, т.к. система фактически "разгерметизирована" снятым шлангом с CCV VSV.
Вложения
D and F.jpg
Аватара пользователя
Marcinkevich
Сообщения: 303
Зарегистрирован: 05 янв 2016, 18:31
Откуда: Ханты-Мансийск

Re: Toyota Highlander 2002 1MZ-FE DTC P0136, P0440, P0441, P

Сообщение Marcinkevich »

Участок E - вновь открывается Purge VSV и в системе происходит падение давления, но уже при закрытом CCV VSV. Фактически же разряжения в коллекторе пока хватает "просадить" давление несмотря на фактически открытый клапан CCV VSV и пока возможно сузившийся канал на него. В виду того что отрезок времени этого участка мал, минимальную величину не возможно установить к сожалению. Именно при таких обстоятельствах происходит анализ и фиксация блоком DTC P0441 по значению минимального давления и требуемого времени на его достижения т.к.
Purge VSV Operation – P0441:
At a predetermined point, the ECM closes the CCV and opens the Bypass VSV causing vacuum to increase in the entire EVAP system.
The ECM continues to operate the purge VSV until the vacuum is increased to a specified point at which time the ECM closes the purge VSV (see Figure 2).
If the vacuum did not increase, or if the vacuum increased beyond the specified limit, the ECM judges the purge VSV and related components to be faulty.
Вложения
E.jpg
Аватара пользователя
Marcinkevich
Сообщения: 303
Зарегистрирован: 05 янв 2016, 18:31
Откуда: Ханты-Мансийск

Re: Toyota Highlander 2002 1MZ-FE DTC P0136, P0440, P0441, P

Сообщение Marcinkevich »

Участок F - идентичный с участком D, где мы должны получить остановку изменения давления в системе, то есть давление условно (на коротком участке) должно = Const (прямая линия). В нашем случае мы видим дальнейшее увеличение давления, и это логично, т.к. система фактически "разгерметизирована" снятым шлангом с CCV VSV.
Вложения
D and F.jpg
Аватара пользователя
Marcinkevich
Сообщения: 303
Зарегистрирован: 05 янв 2016, 18:31
Откуда: Ханты-Мансийск

Re: Toyota Highlander 2002 1MZ-FE DTC P0136, P0440, P0441, P

Сообщение Marcinkevich »

Участок G - аналогично участку E.
Вложения
E.jpg
Аватара пользователя
Marcinkevich
Сообщения: 303
Зарегистрирован: 05 янв 2016, 18:31
Откуда: Ханты-Мансийск

Re: Toyota Highlander 2002 1MZ-FE DTC P0136, P0440, P0441, P

Сообщение Marcinkevich »

Участок H - закрывается приток вакуума через Purge VSV и параллельно закрывается ByPass VSV. При этом мы видим: что происходит привычный рост давления как и в предыдущих случаях, но угол наклона кривой (скорость нарастания давления) явно снижается, что свидетельствует о том, что система EVAP хотя бы частично проявила свою герметичность и сделала она это на стороне Tank Side "Tank Side - The bypass VSV and the fill check valve assembly isolates the tank pressure side from the canister side". Указав нам на то что вероятная причина утечки паров лежит на стороне Canister Side.
Вложения
H.jpg
Аватара пользователя
Marcinkevich
Сообщения: 303
Зарегистрирован: 05 янв 2016, 18:31
Откуда: Ханты-Мансийск

Re: Toyota Highlander 2002 1MZ-FE DTC P0136, P0440, P0441, P

Сообщение Marcinkevich »

Участок I - вновь открывает bypass VSV и в очередной раз увеличивает скорость нарастания давления подключив к своему объему Canister Side с вероятной утечкой. При этом параллельно открывается и CCV VSV давая дополнительный толчок верх по давлению.

Участок J - снова закрывается bypass VSV и снова скорость нарастания давления падает стараясь превратить график в прямую. Еще раз подтверждая относительную герметичность стороны Tank Side.

Участок K - поступает свежая порция вакуума через открытие Purge VSV. При этом мы не видим падение давления, что указывает на исправность клапана bypass VSV, потому как он отделяет вакуум впускного коллектора от датчика Vapor Pressure Sensor.
Аватара пользователя
admin
Admin
Сообщения: 356
Зарегистрирован: 18 фев 2007, 15:37
Контактная информация:

Re: Toyota Highlander 2002 1MZ-FE DTC P0136, P0440, P0441, P

Сообщение admin »

Marcinkevich писал(а):Участок B - открыты все три клапана. В системе если выразиться - "сквозняк". За счет того что полость Canister безусловно имеет некое сопротивление, то появление разряжения вполне объяснимо. Но в нашем случае скорость падения давления достаточно высока. Возможно забит грязью канал на клапан CCV VSV до мелкого отверстия …
Примечание: на схеме не совсем точно т.к. Bypass закрыт.
На какой именно схеме "не совсем точно?

Правильно ли я понимаю, что это цитаты из описания процесса мониторинга БУ за исправностью системы EVAP, описанной в Engine Control Systems II - Course 874 (http://www.testroete.com/car/Toyota/mr2 ... rol/17.pdf):
Late Type (Intrusive) Monitor System писал(а):"The following is a general overview of this monitoring system operation:
• The monitor sequence begins with a cold engine start. The IAT and ECT sensors must have approximately the same temperature reading.
• The ECM is constantly monitoring fuel tank pressure. As the temperature of the fuel increases, pressure slowly rises.
• The ECM will purge the charcoal canister at the appropriate time.
With the bypass VSV closed, pressure will continue to rise in fuel tank....
Late Type EVAP Monitor Beginning Stages
After a period of driving, 5-20 minutes, the ECM cycles the purge VSV...
... Next, the ECM will close the CCV and open the bypass VSV while continuing to operate the purge VSV. This will lower the pressure in the EVAP system
?

Хорошо бы проверить исправность компонентов системы ("вручную") с помощью соответствующих процедур перечня Active Test.

Этот же тест проводился в таком порядке
a-c.gif
a-c.gif (12.3 КБ) 28580 просмотров
d-f.gif
d-f.gif (12.34 КБ) 28580 просмотров
g-i.gif
g-i.gif (12.16 КБ) 28580 просмотров
j-k.gif
j-k.gif (9.86 КБ) 28580 просмотров
Аватара пользователя
Marcinkevich
Сообщения: 303
Зарегистрирован: 05 янв 2016, 18:31
Откуда: Ханты-Мансийск

Re: Toyota Highlander 2002 1MZ-FE DTC P0136, P0440, P0441, P

Сообщение Marcinkevich »

Marcinkevich писал(а):Участок B - открыты все три клапана. В системе если выразиться - "сквозняк". За счет того что полость Canister безусловно имеет некое сопротивление, то появление разряжения вполне объяснимо. Но в нашем случае скорость падения давления достаточно высока. Возможно забит грязью канал на клапан CCV VSV до мелкого отверстия …
Примечание: на схеме не совсем точно т.к. Bypass закрыт.
Схема эта. На схеме клапан Bypass VSV закрыт. В нашем случае на участке В он открыт. Схема приложена для наглядности как наиболее подходящая.
Вложения
B.jpg
Аватара пользователя
Marcinkevich
Сообщения: 303
Зарегистрирован: 05 янв 2016, 18:31
Откуда: Ханты-Мансийск

Re: Toyota Highlander 2002 1MZ-FE DTC P0136, P0440, P0441, P

Сообщение Marcinkevich »

admin писал(а): Правильно ли я понимаю, что это цитаты из описания процесса мониторинга БУ за исправностью системы EVAP, описанной в Engine Control Systems II - Course 874 (http://www.testroete.com/car/Toyota/mr2%20spyder/References/Technical%20Training/01%20-%20Engine%20and%20Engine%20Control/17.pdf):
Late Type (Intrusive) Monitor System писал(а):"The following is a general overview of this monitoring system operation:
• The monitor sequence begins with a cold engine start. The IAT and ECT sensors must have approximately the same temperature reading.
• The ECM is constantly monitoring fuel tank pressure. As the temperature of the fuel increases, pressure slowly rises.
• The ECM will purge the charcoal canister at the appropriate time.
With the bypass VSV closed, pressure will continue to rise in fuel tank....
Late Type EVAP Monitor Beginning Stages
Документ этот Page #4 - http://www.teacher.starenvirotech.com/Toyota/Toyota-Lexus/Lexus%20Evap%20Operation/Lexus%20Evap%20System%20Operation.pdf
Закрыто