Toyota Land Cruiser Prado KDJ120L_DTC P0045
Модератор: alflash
Toyota Land Cruiser Prado KDJ120L_DTC P0045
Всем привет, тойота прадо VIN-JTEBZ29J000098206 не развивает обороты. неисправность сама может обнулиться, но в основном висит и не удаляется сканером.
С дизелями абсолютно не знаком, нет ни схем ни тех. док, но сильно попросили разобраться. Подскажите с чего начать?
С дизелями абсолютно не знаком, нет ни схем ни тех. док, но сильно попросили разобраться. Подскажите с чего начать?
Re: Toyota Land Cruiser Prado KDJ120L_DTC P0045
Как известно, DTC P0045/34 = TURBO/SUPER CHARGER BOOST CONTROL SOLENOID CIRCUIT / OPEN/vadimf писал(а):Всем привет, тойота прадо ... не развивает обороты. неисправность сама может обнулиться, но в основном висит и не удаляется сканером.
С дизелями абсолютно не знаком, нет ни схем ни тех. док, но сильно попросили разобраться. Подскажите с чего начать?
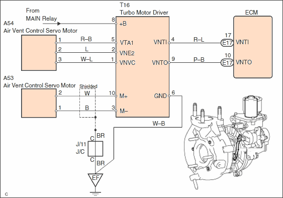
1. Предполагаю, а фотки матчасти могут это подтвердить, что в эту систему входят: турбокомпрессор типа Variable Nozzle (VN), электропривод, датчик положения лопастей и управляющий драйвер: 2. При этом коде БУ переходит в режим FAIL–SAFE, при котором Limits engine power.
3. В первую очередь (после опроса клиента о предыстории "вопроса"), надо выполнить Health Check и посмотреть FFD.
4. В Data Stream узнать значения VNT turbo type (0: Not, 1: Commo, 2: Vacuum), VNT Max Angle (0 to 100%), Min Angle (0 to 100%) при ХХ.
5. Попытаться выполнить и записать активный тест "Test the Turbo Charger Step Motor (Turbo Motor Test)".
6. В зависимости от результатов и/или от желания, стоит (м.б. одновременно с активным тестом) записать осциллограммы в ключевых точках системы (5 каналов "для полного счастья"): Предполагаю, что после этих несложных проверок и проверки подвижности штока и управляемости электромоторчика, виновник неисправности будет найден.
1/2 off. E.g. Turbocharger System Data at Acceleration 2KD-FTV (fr.)
Re: Toyota Land Cruiser Prado KDJ120L_DTC P0045
Спасибо, все понятно. Замеры осциллографом сделаю на сервомоторе и датчике положения, активный тест запишу. На следующей недели думаю к среде отпишусь.
Re: Toyota Land Cruiser Prado KDJ120L_DTC P0045
Здравствуйте, отпишусь по работе.
Активный тест сервомотора провел раза 3, последний с осциллограммой и после этого питание на нем пропало, больше на тест он не реагировал. Нашел сгоревший пред VISCUS-7.5A, результата не дало. Начал проверять проводку, нашел перетертые провода в районе дроселя. Перетерлись об алюминиевую трубку отопителя салона, но провода к турбине отношения не имели. Нашел блок DRIVER TURBO MOTOR, питание на нем есть. Вскрыл блок и обнаружил сгоревший транзистор... завтра найду аналог.
Осциллограмму снимал только с сервомотора, до датчика положения тяжело добраться к разъему и решил сделать вторым заходом подняв авто на подъемнике, но сервомотор уже не реагировал на тест.
Да, и во время теста когда сервомотор еще работал напарник смотрел за штоком, шток передвигался свободно
Активный тест сервомотора провел раза 3, последний с осциллограммой и после этого питание на нем пропало, больше на тест он не реагировал. Нашел сгоревший пред VISCUS-7.5A, результата не дало. Начал проверять проводку, нашел перетертые провода в районе дроселя. Перетерлись об алюминиевую трубку отопителя салона, но провода к турбине отношения не имели. Нашел блок DRIVER TURBO MOTOR, питание на нем есть. Вскрыл блок и обнаружил сгоревший транзистор... завтра найду аналог.
Осциллограмму снимал только с сервомотора, до датчика положения тяжело добраться к разъему и решил сделать вторым заходом подняв авто на подъемнике, но сервомотор уже не реагировал на тест.
Да, и во время теста когда сервомотор еще работал напарник смотрел за штоком, шток передвигался свободно
- Вложения
-
- LAND CR PRADO_1KDFTV_09.02.2018 100442.rar
- (16.14 КБ) 1102 скачивания
-
- активный тест сервомотора.rar
- (2.23 МБ) 1039 скачиваний
-
- 20180207_181651.rar
- (1.17 МБ) 1038 скачиваний
-
- 20180207_150815.rar
- (832.43 КБ) 1098 скачиваний
-
- 20180207_150810.rar
- (926.15 КБ) 1041 скачивание
Re:Грустно это как-то ...
В осциллограмме, надо полагать, сигналы "М+" и "М-". а где другая пара (сигналов ECM)? Не хватило каналов или времени?Плиз, перед просмотром/записью осциллограмм, введите названия всех подключаемых каналов осциллографа, которые бы соответствовали названию соответствующих сигналов на схеме, выложенной в вашей теме на форуме.
Чтобы потом не путаться какая осциллограмма соответствует какому сигналу.
Что с DTC P0405?
Покажете лог после ремонта, аналогичный "Data 3" лога при неисправности P0045?
Может стоит запастись ещё одним транзистором (для другого плеча управления эл. мотором).
Re: Toyota Land Cruiser Prado KDJ120L_DTC P0045
По поводу сигналов с ECM, у меня нет литературы на дизель я и не знал где находиться блок управления турбиной. Предполагал, что где то рядом с ЭБУ ну и наткнулся на него сразу как только снял нижнюю накладку под бардачком. Теперь зная расположение всех блоков вызвонить соответствующие пины не затруднит, но это после замены транзистора.
По ошибке 0405, клапан егр неисправен и ЭБУ было прошито под евро2. Сейчас вернули старую прошивку для ремонта.
По ошибке 0405, клапан егр неисправен и ЭБУ было прошито под евро2. Сейчас вернули старую прошивку для ремонта.
Re: Toyota Land Cruiser Prado KDJ120L_DTC P0045
Покажите Health Check незалипушного ПО - возможно авто нуждается в New CID.vadimf писал(а):...Сейчас вернули старую прошивку для ремонта.
Re: Toyota Land Cruiser Prado KDJ120L_DTC P0045
Всем привет. Сегодня собрал авто и провел активный тест с осциллограммой. По течстрим не увидел изменений в работе двигателя во время активного теста актюатора турбины.
Клиент, уже как час катается и пока неисправностей нет.
Клиент, уже как час катается и пока неисправностей нет.
- Вложения
-
- LAND CR PRADO_1KDFTV_14.02.2018 124044-турбина.7z
- (2.79 КБ) 1100 скачиваний
-
- активный тест прадо.7z
- (2.32 МБ) 1060 скачиваний
Re: Toyota Land Cruiser Prado KDJ120L_DTC P0045
- a) нет лога, аналогичного скрину показанного ранее (хотя бы на неподвижной машине) и желательного с All Data,
б) автомобиль 2005 г.в. смотрится как авто 2010-2011MY.
в) в осциллограммах каналы не поименованы в соответствии скрину схемы соединения модулей этой системы, что не упрощает и не лишает двойственности их понимания. И что было "заказано" ранее.
Надеюсь, что была проведена "ручная" проверка работоспособности электромотора, хотя результаты неизвестны.
В этой ситуации и с учётом FFD тест-драйв просто ни к чему.
Офф.
